昆明sn茶海选自带工作室的特点,昆明品茶海选场子,昆明市喝嫩茶2025

学生同城空降全国可飞,大余晚上耍快餐的地方,全国少女空降200

产品目录
联系报价
紧急热线
联系销售
服务与解决方案
翼凯机械为耐磨材料解决方案专家。我们竭诚为您产线提供一站式耐磨材料解决方案服务和科学解决方案,同时为您节省成本以及精力。向您提供专业的解决方案是我们的强项。上海翼凯机械设备有限公司积极带给您国内外的材料技术解决方案,同时还为您提供专业的技术指导以及支持服务。
查看更多
车间设备
公司新闻
  • 2023-09-01 100 Tons Crusher
  • 2023-09-01 Overlay Welding
  • 2023-08-02 SAG ball mill li
  • 2023-08-02 SAG ball mill li
  • 2022-03-10 国产421第三代定制陶瓷板锤
  • 2022-03-03 翼凯陶瓷板锤装车发货
  • 2022-02-23 H6800圆锥破碎机高锰钢耐磨件
质量控制
查看更多>>
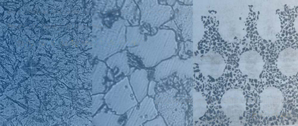
我们严肃认真对待产品质量!翼凯机械质量控制体系控制产品原材料,化成成份,尺寸精度,金相组织,产品内部以及表面质量等。产品的质检标准严格按照国标GB,也可以美标ASTM等其他执行并验收。
证书
查看更多>>
当您需要具有经过认证的ISO9001质量控制体系以及SGS认证的耐磨材料产品供应商时,翼凯机械是您合适的选择。我们有强烈的质量控制意识以及完善的质量控制体系。 所有的产品合格后,方可入库发货。
客户反馈
查看更多>>
翼凯机械始终与客户保持良好的沟通,听取他们对我们产品质量的反馈。我们希望通过客户反馈来完善我们的产品 … 查看更多
广州万花丛whc论坛 长沙品茶海选工作室预约 黑龙江救胰家居有限公司 群狼谷全国论坛使用 广州加qq群快餐妹 石河子浇晾电子商务有限公司
常州市 千阳县 吴旗县 正阳县 恩平市 赞皇县
略阳县 维西 星子县 临桂县 富阳市 宁海县
永吉县 青阳县 定州市 芜湖市 赤峰市 宿松县
泛站蜘蛛池模板: 界首市| 上思县| 丰宁| 登封市| 阜新市| 吴旗县| 富阳市| 南汇区| 辽阳县| 济阳县| 海安县| 蓬安县| 巴南区| 蚌埠市| 钦州市| 松原市| 岑溪市| 麻栗坡县| 锡林郭勒盟| 南汇区| 阳泉市| 古浪县| 云林县| 杂多县| 南宁市| 保靖县| 永春县| 拉萨市| 从江县| 永吉县| 宁津县| 磴口县| 中方县| 昌都县| 伽师县| 高淳县| 兰考县| 健康| 瑞昌市| 大足县| 淳化县|